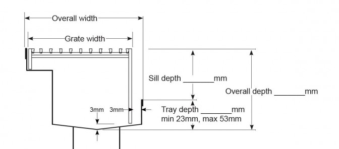
The 65TRTDi is a Threshold Drain for door track with sub sill tray featuring our 65mm wide standard grate.
For sliding and Hinged doors.
Featuring a linear stainless steel grate with concealed channel section connecting sill and sub-sill for door tracks and thresholds.
Allows door sills to be drained while having internal and external floor surfaces with no step down.
Please be aware that depending on the installation environment, for a pool installation or close to a surf beach, you may need to have your stainless steel grates electropolished.






















































